ZR. Non Flammable Flat Wire Wound Resistor
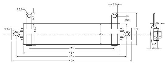
Dimension
ZR type: Fix resistor
NZR type: Non inductive resistor
NQZR type: Non inductive resistor

Specification
| Power Rating | Dimension (mm) | QZR Type (W) Power Rating |
||||||||
| A±1 | B±2 | C±2 | D±0.1 | E±0.2 | F±1 | G±2 | H±2 | I±2 | ||
| ZR-80W | 121.5 | 140 | 157 | 170 | 28 | 46 | 14 | 10 | 21.5 | 120W |
| ZR-100W | 141.5 | 160 | 177 | 190 | 28 | 46 | 14 | 10 | 21.5 | 150W |
| ZR-120W | 166.5 | 185 | 202 | 215 | 28 | 46 | 14 | 10 | 21.5 | 180W |
| ZR-150W | 166.5 | 185 | 202 | 215 | 35 | 50 | 14 | 10 | 21.5 | 225W |
| ZR-200W | 191.5 | 210 | 227 | 240 | 35 | 50 | 14 | 10 | 21.5 | 300W |
| ZR-250W | 235.5 | 254 | 271 | 284 | 35 | 50 | 14 | 10 | 21.5 | 375W |
| ZR-300W | 281.5 | 300 | 317 | 330 | 35 | 50 | 14 | 10 | 21.5 | 450W |