DR. Non Flammable Power Wire Wound Resistor
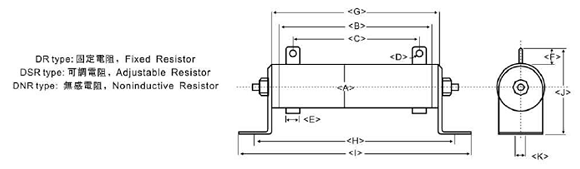
Dimension

Specification
| Power Rating | Dimension (mm) | Resistance Range | ||||||||||
| A±1 | B±2 | C±2 | D±0.1 | E±0.2 | F±1 | G±2 | H±2 | I±2 | J±2 | K±0.1 | ||
| DR-10W | 12.5 | 45 | 35 | 2.1 | 4 | 10 | 55 | 56 | 57 | 30 | 4 | 1Ω~10KΩ |
| DR-20W | 16.5 | 60 | 45 | 3.0 | 5 | 12 | 70 | 84 | 100 | 37 | 4 | 1Ω~20KΩ |
| DR-30W | 16.5 | 80 | 65 | 3.0 | 5 | 12 | 90 | 104 | 120 | 37 | 4 | 1Ω~30KΩ |
| DR-40W | 16.5 | 110 | 95 | 3.0 | 5 | 12 | 120 | 134 | 150 | 37 | 4 | 1Ω~40KΩ |
| DR-50W | 25 | 110 | 92 | 5.2 | 8 | 19 | 120 | 142 | 164 | 58 | 6 | 0.1Ω~50KΩ |
| DR-60W | 28 | 90 | 72 | 5.2 | 8 | 17 | 101 | 123 | 145 | 60 | 6 | 0.1Ω~60KΩ |
| DR-80W | 28 | 110 | 92 | 5.2 | 8 | 17 | 121 | 143 | 165 | 60 | 6 | 0.1Ω~80KΩ |
| DR-100W | 28 | 140 | 122 | 5.2 | 8 | 17 | 151 | 173 | 195 | 60 | 6 | 0.1Ω~100KΩ |
| DR-120W | 28 | 160 | 142 | 5.2 | 8 | 17 | 171 | 193 | 215 | 60 | 6 | 0.1Ω~120KΩ |
| DR-150W | 28 | 195 | 177 | 5.2 | 8 | 17 | 206 | 229 | 250 | 60 | 6 | 0.1Ω~150KΩ |
| DR-160W | 35 | 185 | 167 | 5.2 | 8 | 17 | 197 | 217 | 245 | 75 | 8 | 0.1Ω~160KΩ |
| DR-200W | 35 | 210 | 192 | 5.2 | 8 | 17 | 222 | 242 | 270 | 75 | 8 | 0.1Ω~200KΩ |
| DR-250W | 40 | 210 | 188 | 5.2 | 10 | 18 | 222 | 242 | 270 | 77 | 8 | 0.5Ω~250KΩ |
| DR-300W | 40 | 260 | 238 | 5.2 | 10 | 18 | 272 | 292 | 320 | 77 | 8 | 0.5Ω~300KΩ |
| DR-400W | 40 | 330 | 308 | 5.2 | 10 | 18 | 342 | 380 | 390 | 77 | 8 | 0.5Ω~400KΩ |
| DR-500W | 50 | 330 | 304 | 6.2 | 12 | 28 | 346 | 367 | 399 | 105 | 9 | 0.5Ω~500KΩ |
| DR-600W | 50 | 400 | 384 | 6.2 | 12 | 28 | 416 | 437 | 469 | 105 | 9 | 1Ω~600KΩ |
| DR-800W | 60 | 460 | 425 | 6.2 | 15 | 30 | 480 | 504 | 533 | 112 | 9 | 1Ω~800KΩ |
| DR-1000W | 60 | 540 | 505 | 6.2 | 15 | 30 | 560 | 584 | 613 | 112 | 10 | 1Ω~1.0MΩ |
| DR-1300W | 65 | 650 | 620 | 6.2 | 15 | 30 | 667 | 700 | 715 | 115 | 10 | 1Ω~1.3MΩ |