CRE. Non-Inductive Metal Plate Resistor
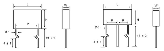
Dimension


| Type | Power Rating | Dimension (mm) | Resistance Range | ||||
| L | H | W | d | P | |||
| CR-E | 3W | 14±1.5 | 13±1.5 | 5±1.0 | 0.8±0.1 | 10±1.0 | 0.1Ω~1Ω |
| 5W | 14±1.5 | 18±1.5 | 5±1.0 | 0.8±0.1 | 10±1.0 | ||
| 3W+3W | 26±1.5 | 13±1.5 | 5±1.0 | 0.8±0.1 | 10±1.0 | ||
| 5W+5W | 26±1.5 | 18±1.5 | 5±1.0 | 0.8±0.1 | 10±1.0 | ||
| 7W+7W | 26±1.5 | 20±1.5 | 5±1.0 | 0.8±0.1 | 10±1.0 | ||
Characteristic
| Characteristic | Specification | Test Method JIS 5202 |
| Temperature coefficient | ±350 PPM/°C | 5.2 B |
| Short time overload | ∆R«±(2%R0+0.05Ω) | 2.5 x 5 sec |
| Dielectric withstand voltage | 500V | 5.7 |
| Load life in humidity | ∆R«±(3%R0+0.05Ω) | 7.9 |
| Load life | ∆R«±(3%R0+0.05Ω) | 7.10 |
| Thermal shock | ∆R«±(2%R0+0.05Ω) | JIS 5026 6.7 |